УСТАНОВКИ ПЕРЕРАБОТКИ ГАЗОВОГО СЫРЬЯ ТИПА TERRA-GAS-UKPG
Предлагаем Вашему внимаю современную установку переработки газового сырья, типа Terra-Gas-UKPG, которая является последним достижением техники в области 100% переработки газоконденсатного сырья на промыслах, добывающих компаний. Уникальностью предлагаемой технологии, является полный отбор товарной продукции из добываемого сырья: природный газ, газовый конденсат. Установка состоит из:
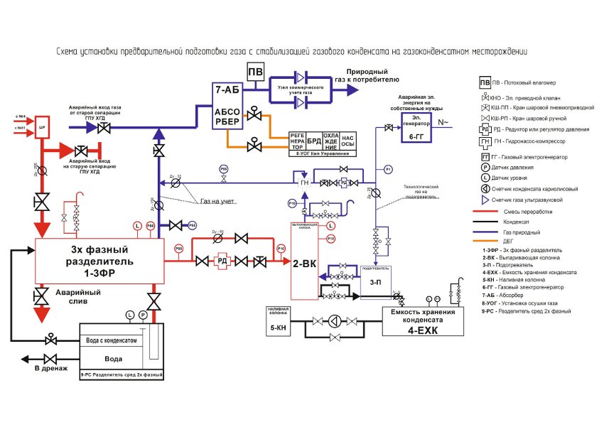
1. Центральный шкаф управления типа Terra-Gas-UKPG-1, на базе программно-логической аппаратуры Honeywell или по требованию Заказчика Siemens, Emerson, Schneider. Шкаф укомплектован всей необходимой электроаппаратурой безопасности и питания, с аккумуляторами на 48 часов работы измерительной техники и ведения архивов в автономной режиме, без внешних источников питания. ШУ отображает информацию по всем технологическим параметрам, как на собственной ЖКИ панели, так и с передачей данных на АРМ оператора, с дублированием архивной информации по каналам связи (GSM, CDMA. Спутник) на ПК управляющей компании.
| ![]() |
ШУ обеспечивает алгоритм работы промысла в автоматическом режиме, благодаря специализированному программному обеспечению Soft-TG-UKPG-1, которое корректируется в процессе пусконаладки на промысле, под параметры промысла.
2. Узел сбора вводных шлейфов от скважин, с регуляторами давления и системой телемеханики (давление и температура сырья до ШР и после ШР), что позволяет в автоматическом режиме управлять процессом добавок ингибитора на скважину. Как правило, данный узел уже имеется на промысле и требует только обустройством средств телемеханики.
3. Разделители-сепараторы первой ступени с системой автоматического управления (узел разрабатывается конструкторским бюро нашего предприятия, в случае его отсутствия на промысле). При наличии данного узла, на нем проводится модернизация, с заменой некоторых конструкторских элементов в сепараторах и обвязкой их контрольно-измерительными приборами (датчики, уровнемеры, сигнализаторы) и исполнительными механизмами (клапана, арматура).
4. Трехфазный разделитель с системой автоматического управления технологических процессов отбора газового конденсата и природного газа и сливом попутных пластовых вод. Разделитель фракций, обеспечивает разделение сырья на три составляющие фракции: ПГ, ГК, ППВ. Нашим КБ на основании предложенных заказчиком лабораторных исследований добываемого сырья на скважине, проводится конструкторская разработка такого Разделителя. Исходя из содержания химических элементов в добываемом сырье, разрабатывается технологическая конструкция сепарирующих устройств в разделителе, нацеленных на разделение фаз сырья на 99,5% вероятности.
5. Стабилизирующая колонна газового конденсата, в комплекте с подогревателем ДЭГ, выпарной колонной, гидронасосной эжекционной системой отбора выпариваемых паров природного газа (далее подаются в газопровод или как топливный газ на промысел), средствами автоматизации и управления (датчики, индикаторы, сигнализаторы, регулирующие клапана, арматура). После технологического процесса на Колонне стабилизации, по выходу получаем товарный конденсат.
6. Наливная колонна отпуска товарного конденсата, в комплекте с насосной, расходомерной (на базе массовых кориолисовых расходомеров), технологической обвязки автоматического управления и безопасности (датчики, клапана, пускатели, концевики и т.д.).
7. Узел сброса ППВ в комплекте с емкостью отстоя ППВ и автоматической системой управления отдельными технологическими процессами ППВ (регенерация ППВ с массовым содержанием ГК на повторную переработку в трехфазный разделитель; узел учета ППВ при сливе, на базе массового расходомера, который вычисляет плотность массы, что позволит предотвратить слива ППВ с массовым содержанием ГК).
8. Узел обеспечения электропитанием промысла, на базе газогенератора, который работает от отобранного природного газа с стабилизирующей колонны, что делает процесс производства не зависимым от поставщиков электрической энергии, и сокращает производственные затраты.
9.Узел осушки природного газа на базе абсорберов и блоков регенерации ДЭГа, с системой автоматического управления приборами и механизмами
(влагомеры, счетчики, клапана, уровнемеры, датчики, арматура и т.д.), для поддержания точки россы природного газа, отпускаемого потребителю.
10. Узел коммерческого учета расхода природного газа, на базе ультразвукового счетчика с прямыми калиброванными измерительными трубопроводами, обеспечивающий класс точности отпускаемой продукции на уровне 0,1%.
Всё электрооборудование заземляется на отдельный контур заземления, который строится совместно с молниезащитой (в случае ее отсутствия на промысле или не попадания строящейся установки в зону действия существующего молниеотвода).
Все применяемое оборудование соответствует классу взрывобезопасности, согласно категориям взрывоопасности на объекте.
Анализ состояния сырья на входной гребенке и полный учет трех разделенных фракций дает возможность точной оценки состояния пластов и состава добываемой массы в текущем режиме. Это позволит выбрать оптимальный режим эксплуатации скважин, предпринимать необходимые предупредительные шаги для увеличения добычи или предотвращения негативных реакций на скважине и в пластах.
Более детальная информация и характеристики изделий, будут расписаны в Рабочем проекте оборудования газового промысла Установкой переработки газоконденсатного сырья.
Ориентировочные сроки и объем работ:
Составление ТЗ на проектирование (согласование предварительных тех.решений) 1 месяц;
Разработка конструкторской документации на Разделители, Сепараторы, Абсорберы и Емкости 3 месяца;
Разработка проекта привязки и строительства 3 месяца;
Поставка оборудования 6 месяцев;
Монтаж с использованием материалов 6 месяцев;
Программирование и Пусконаладка 3 месяца;
Обучение персонала и Сдача в эксплуатацию 1 месяц;
Гарантийное обслуживание 12 месяцев;
Сервисное обслуживание (по отдельному договору), с периодичностью не менее 1 раза в квартал и аварийным выездом специалиста не более 1 раза в месяц.
Общий срок строительства объекта (от Договора до Акта ввода в эксплуатацию) не более 12 месяцев, при стабильном финансировании.
